用途
主要用于室外大中型起重机及港口装卸机械工作状态下的防风和非工作状态下的辅助防风制动。
主要特点
设有释放限位开关,可进行信号显示或联锁保护。
主要摆动铰点均设有自润滑轴承,传动效率高,动作灵敏可靠,且寿命长。
具有手动释放功能,维护方便。
匹配Ed带复位弹簧推动器,动作性能优良,密封性能好,外壳防护等级高;且具有弹簧复位功能,避免断电后推动器动作不灵敏导致楔块不能及时复位。
防腐型设计,楔块经特殊工艺处理,磨擦系数高。

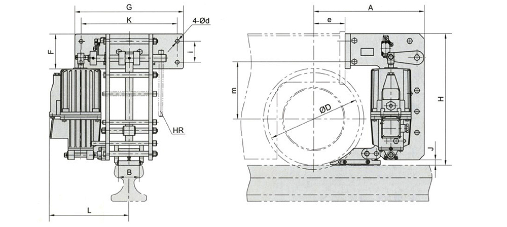
YXZ系列电力液压防风铁楔制动器
用途 主要用于室外大中型起重机及港口装卸机械工作状态下的防风和非工作状态下的辅助防风制动。主要特点 设有释放限位开关,可进行信号显示或联锁保护。 主要摆动铰点均设有自润滑轴承,传动效率高,动作灵敏可靠,且寿命长。 具有手动释放功能,维护方便。 匹配Ed带复位弹簧推动器,动作性能优良,密封性能好,外壳防护等级高;且具有弹簧复位功能,避免断电后推动器动作不灵敏导致楔块不能及时复位。 防腐型设计,楔块经特殊工艺处理,磨擦系数高。
发布时间:2023-03-28
咨询热线:
16639114666
产品介绍
用途
主要用于室外大中型起重机及港口装卸机械工作状态下的防风和非工作状态下的辅助防风制动。
主要特点
设有释放限位开关,可进行信号显示或联锁保护。
主要摆动铰点均设有自润滑轴承,传动效率高,动作灵敏可靠,且寿命长。
具有手动释放功能,维护方便。
匹配Ed带复位弹簧推动器,动作性能优良,密封性能好,外壳防护等级高;且具有弹簧复位功能,避免断电后推动器动作不灵敏导致楔块不能及时复位。
防腐型设计,楔块经特殊工艺处理,磨擦系数高。

在线订购
温馨提醒:
为了能及时和您取得联系,请您务必填写您的联系方式和需求信息,您可以输入您的产品需求等;您也可以通过商务联系我们的24小时在线客服,致力成为您满意的合作伙伴!
联系我们
地 址:孟州市谷旦镇北那村村南7号
联系人:杨总
电 话:16639114666
电 话:0391-8192666